electronic design

This week the assignment was partly confusing, and partly sufficiently easy.

We began working as a group (as usual), with Graham walking us through the programme components, and helping us with a basic and much needed tutorial of Eagle. Unfortunately i dont have photos of our session or the stpe by stepp process by which i began learning Eagle.

After downlaoding the software, I imported the library from the CBA site and 'installed' it into Eagle.

After isloating the required parts my eagle project board I could begin to think about what kinds of connections would work.

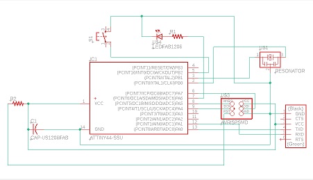
based on the image of the board already given to us, I had to reconstuct the schematic:

We had to then generate the switch board:

Using the schematic, routing the airwire was the next task:

Once that got done, i had to create a .png of the image to mill. That proved to be a little confusing. Finally between Pohao and Gharam helped us figured it out. The 'view layers' tab has all the answers we were looking for.

Before exporting this image, we had to draw out its dimensions (basically size the board adequately)

and this now could be saved as a monochrome png

same with the outline:

Once this was done, the next step was the begin milling. The process was similar to the previous weeks' usb programming.

However, something went wrong. The trace i milled was way too thin. I had to manually change all the routes.

I did not have enough time to redo the routing manually, mill, and programme so i decided to take Chucho's board and mill that instead. He had gotten into the same problem a few hours before me and had manually fixed his.

However the outline did not get milled in its entirely. The lines were fine though.

Now to solder and program.